• 1. Нормы для железнодорожного моделизма
  • 2. Определение масштабных размеров
  • Глава IX

    ОСНОВНЫЕ НОРМАТИВЫ ДЛЯ ПОСТРОЙКИ МОДЕЛЕЙ ЖЕЛЕЗНЫХ ДОРОГ

    1. Нормы для железнодорожного моделизма

    Перед тем как приступить к самостоятельной постройке железнодорожных моделей — моделей подвижного состава, действующих макетов железной дороги, макетов отдельных зданий, инженерных сооружений и др., необходимо познакомиться с основами железнодорожного моделизма — нормами, принятыми при постройке моделей и макетов.

    Если обратиться к истории появления нормативов на постройку моделей железных дорог, то следует отметить, что при изготовлении первых железнодорожных моделей-игрушек отсутствовали какие бы то ни было стандарты и общие требования. Вскоре после начала промышленного изготовления моделей железных дорог заводы-изготовители начали придерживаться определённой ширины колеи — 63,5 мм и 45 мм. Однако в тридцатые годы, когда железнодорожный моделизм стал привлекать всё большее число любителей и в силу ряда причин наметилась тенденция к миниатюризации модельной железной дороги, американские заводы начали изготовление моделей в масштабе 1:75 с шириной колеи 19 мм; немецкая фирма «Marklin» выпустила железную дорогу в масштабе 1:80 с шириной колеи 16 мм; итальянская фирма «Rivarossi» и немецкая «Fleischmann» начали производство моделей в масштабе 1:75 с шириной колеи 16,5 мм. Естественно, что такое разнообразие масштабов очень затрудняло использование на одном макете моделей, изготавливаемых разными фирмами, поэтому возникла необходимость установления единых масштабов и норм для изготовления моделей.

    Возникновение в 1954 г. международной организации любителей-моделистов железных дорог — Modelleisenbahnverband — Europa (Европейского союза моделистов железных дорог, сокращённо MOROP), куда входят национальные союзы моделистов европейских государств, явилось большим шагом вперёд в вопросах выработки единых технических требований к моделям железных дорог. Первые нормы — «Normen Europaischen Modellbahnen» («Нормы европейских моделей железных дорог», сокращённо NEM), принятые MOROP в 1958 г., определили единые масштабы, ширину колеи, габариты подвижного состава и приближения строений, параметры рельсов, колёсных пар, стрелочных переводов, электрического тока и др. Эти нормы явились основой при постройке железнодорожных моделей и макетов как для моделистов, так и для предприятий, изготавливающих подвижной состав и принадлежности модельной железной дороги. В настоящее время в составе MOROP постоянно работает техническая комиссия, в задачи которой входит разработка новых и совершенствование действующих норм в связи с возрастающими требованиями, предъявляемыми к моделям железных дорог и повышением технических возможностей заводов-изготовителей моделей. Утверждение новых норм, внесение дополнений в ранее принятые и отмена действия устаревших норм происходят на общих заседаниях организации и представителей заводов-изготовителей.

    Строгое соблюдение норм в любительском моделизме является обязательным требованием для каждого моделиста, оно обеспечит успех в работе — вознаграждение за упорный труд тем, что модель или макет будут обладать хорошими эксплуатационными качествами; поезда, движущиеся на макете, будут проходить по всем путям и стрелочным улицам без сходов; локомотивы будут двигаться в том направлении, в каком установлен переключатель на пульте управления; при движении поездов не будет происходить произвольное расцепление вагонов и др. В противном случае, когда моделист из-за незнания, поспешности или по другим причинам начнёт отступать от установленных норм, он этим допустит грубые ошибки, которые очень трудно устранить после изготовления модели или макета. Такие же неприятные последствия влечет за собой некачественно составленная документация, по которой создаётся макет или модель.

    Перед началом постройки макета или модели необходимо продумать все вопросы конструкции, проработать все узлы и свои решения нанести на чертежи — составить документацию, по которой будет выполняться работа. Хорошая и полная документация, составленная с учётом всех норм, будет служить помощником при постройке, эксплуатации, ремонте или реконструкции макета и модели. Особенно чёткими должны быть электросхемы, а весь монтаж должен отвечать начерченному. Изменения, которые появились при постройке или эксплуатации, должны быть сначала занесены в схему и только потом осуществлены на макете. Это особенно важно для клубов и кружков, где строятся коллективные макеты и над одной задачей работает несколько моделистов.

    «Нормы европейских моделей железных дорог» 1958 г., впервые переведенные на русский язык в первом издании нашей книги, сейчас почти полностью заменены новыми. В настоящем издании приведены действующие нормы, однако для удобства пользования выпущенной ранее литературой по железнодорожному моделизму сделаны ссылки на соответствующие нормы 1958 г.

    Как уже отмечалось выше, модели железных дорог стали различать по ширине колеи. Когда в последующем стали определяться масштабы моделей-игрушек, ширина колеи стала единственным критерием при расчёте масштабов — ширина колеи модели сопоставлялась с шириной колеи настоящей железной дороги:

    В приведённой формуле ширина колеи настоящей железной дороги принята равной 1435 мм. Эта ширина колеи принята почти во всех странах Западной Европы и Америки.

    Когда создавались международные нормы, предприятия, изготавливающие модели железных дорог, производили модели различных масштабов с шириной колеи 32; 22,5; 16,5 и 12 мм.

    При обобщении опыта производства были созданы три основные нормы: «Диаграмма масштабов» NEM 011; «Масштабы и условные обозначения» NEM 012; «Узкоколейные железные дороги (масштабы и условные обозначения)» NEM 013. В настоящее время эти нормы отменены и заменены новой — «Условные обозначения, ширина колеи, масштабы» NEM 010 и дополняющей её нормой «Паровые и садовые железные дороги» NEM 020.

    Норма NEM 010 определяет масштабы, в которых разрешено строить модели железнодорожной техники, соответствующую каждому масштабу ширину колеи и условные обозначения, присвоенные каждому типоразмеру. История появления общепринятых условных обозначений типоразмеров моделей железных дорог не случайна. При составлении первых норм на модели железных дорог самыми распространенными в Европе были модели, изготовленные в масштабе 1:45 с шириной колеи 32 мм. Этим моделям было присвоено условное обозначение 0 (нуль) — символически обозначившее начало. Модели с шириной колеи 45, 57 и 63,5 мм соответственно получили условные обозначения I, II и III3. Другим масштабам условные обозначения были присвоены следующим образом: масштаб 1:87 получил условное обозначение H0 как начальные буквы немецких слов «Halb Nuli» (половина нуля), масштаб 1:120 — TT от английского «Table top» (доска стола), масштаб 1:160 — N от немецкого «Neun» (девять). Условное обозначение Z, соответствующее масштабу 1:220 и ширине колеи 6,5 мм, было присвоено фирмой «Marklin», впервые освоившей выпуск таких моделей.

    Норма NEM 010 устанавливает единую ширину колеи железнодорожных моделей для определённых интервалов ширины колеи настоящей железной дороги. Это сделано для удобства использования моделей подвижного состава, выполненных в одном масштабе, но имеющих несколько отличающуюся ширину колеи у оригинала, например, для железных дорог широкой колеи 1435 мм — в странах Западной Европы, 1520 мм — в СССР, 1676 мм — в Индии и др. Следовательно, модели советского подвижного состава должны быть построены с шириной колеи по норме NEM 010, но масштаб уменьшения должен быть выдержан. Например, модели советского подвижного состава, построенные в масштабе 1:87 (H0), должны иметь ширину колеи 16,5 мм, а не 17,5 мм, как получилось бы расчётом.

    Моделисты довольно часто выбирают для своих макетов тему узкоколейной железной дороги, и это не случайно, так как железные дороги узкой колеи (ширина колеи менее 1435 мм) в большинстве своем являются дорогами местного значения, проложенными в холмистой местности, лесистых ущельях с пересечением множества маленьких рек. Макеты узкоколейной железной дороги компактны, а местность, воспроизведённая на них, выражает всю красоту и фантазию творения природы. Для узкоколейных железных дорог в норме NEM 010 введены дополнительные индексы к условным обозначениям типоразмеров разной ширины колеи. Например, модели узкоколейной железной дороги с шириной колеи оригинала от 650 до 850 мм, построенные в масштабе 1:87, имеют колею шириной 9 мм и условное обозначение H0е.

    Во многих случаях основной масштаб некоторых узлов модели нельзя выдерживать по техническим или технологическим причинам. Например, ширина поверхности катания колеса в масштабе 1:87 составит 1 мм, а высота гребня бандажа 0,32 мм. Строгое соблюдение этих значений при постройке модели привело бы к большим затруднениям при её эксплуатации, так как малейшие неровности пути вызывали бы сходы поезда с рельсов. Поэтому норма NEM 010 содержит примечание, допускающее, что некоторые узлы моделей могут иметь отступления от масштаба, но только в том случае, если они определены специальной нормой.

    В норме NEM 010 имеется таблица коэффициентов пересчёта размеров из одного масштаба в другой (табл. 2).

    Таблица 2

    Условные обозначения Коэффициенты пересчёта масштабных размеров
    Z N TT H0 S 0 I III
    Z - 1,375 1,833 2,529 3,438 4,889 6,875 9,778
    N 0,727 - 1,333 1,839 2,500 3,556 5,000 7,111
    TT 0,545 0,750 - 1,379 1,875 2,667 3,750 5,333
    H0 0,395 0,544 0,725 - 1,359 1,933 2,719 3,887
    S 0,291 0,400 0,533 0,736 - 1,422 2,000 2,844
    0 0,205 0,281 0,375 0,517 0,703 - 1,406 2,000
    I 0,145 0,200 0,267 0,386 0,500 0,711 - 1,422
    III 0,102 0,141 0,186 0,260 0,352 0,500 0,703 -

    Наряду с общепризнанными миниатюрными моделями железнодорожной техники в отдельных странах получили некоторое распространение крупномасштабные модели с масштабом уменьшения от 1:45 до 1:2, эксплуатируемые на садовых участках и других открытых площадках. Для привода в действие таких моделей применяют электродвигатели и паровые машины, отапливаемые углем, спиртом, газом или другим топливом. Для стандартизации этих моделей принята норма «Паровые и садовые железные дороги» NEM 020. Описание этих моделей не является предметом настоящей книги, поэтому рассмотрение этой нормы, а также других, связанных с ней, опущено.

    При постройке макетов железных дорог важное значение имеет соблюдение норм, определяющих габарит приближения строений, представляющий собой условное поперечное очертание (перпендикулярное оси пути), внутрь которого не должны заходить никакие части зданий, сооружений и устройств. Соблюдение этого габарита обеспечивает свободное и безопасное продвижение подвижного состава. Ранее действовавшая норма «Габарит приближения строений» NEM 102 пересмотрена и заменена тремя новыми нормами — «Габарит приближения строений на прямых участках» NEM 102, «Габарит приближения строений на кривых участках» NEM 103 и «Габарит приближения строений узкоколейных железных дорог» NEM 104.

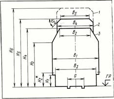
    Норма «Габарит приближения строений на прямых участках» NEM 102 (рис. 188) устанавливает ограничительный контур, внутрь которого не должны заходить элементы зданий, инженерных и искусственных сооружений, устройств сигнализации, опор и подвесок контактной сети и других предметов на прямых участках пути. Исключение составляет размещение в нижней части габарита различных исполнительных механизмов — приводов стрелочных переводов, расцепителей и др., а также настилов переездов и переходов. Пространство, в котором допускается размещение этих элементов, определено нормой «Габариты подвижного состава» NEM 301 (см. далее).

    Рис. 188. Габарит приближения строений на прямых участках4, мм:

    Условное обозначение G B1 B2 B3 H1 H2* H3 H4 Для электрифицированных участков
    B4 B5 H5 H6
    Z 6,5 20 14 18 4 6 18 24 16 13 28 30
    N 9,0 27 18 25 6 8 25 33 22 18 39 45
    TT 12,0 36 24 32 8 10 33 43 28 22 52 60
    H0 16,5 48 32 42 11 14 45 59 38 30 69 79
    S 22,5 66 44 57 15 19 60 78 50 38 92 105
    0 32,0 94 63 82 21 27 85 109 68 52 127 145
    I 45,0 130 87 114 30 38 118 150 93 71 180 207

    * — H2 — Для грузовых платформ

    Так как радиусы кривых, допускаемые на модельной железной дороге, по сравнению с настоящими значительно уменьшены, то при прохождении модельным подвижным составом кривых участков пути происходит некоторое смещение в плане относительно оси пути, середины и концов вагонов и локомотивов. Следовательно, на этих участках требуется расширение габарита приближения строений. Значения расширения габарита приближения строений определены нормой «Габарит приближения строений на кривых» NEM 103 (рис. 189). Из рис. 189 видно, что расширение габарита приближения строений на размер Е в обе стороны одинаково. Значения Е даны в таблице в зависимости от радиуса. При составлении данной нормы исходной единицей подвижного состава был выбран самый длинный вагон, соответствующий группе С из нормы «Межпутьевые расстояния» NEM 112/1 (см. далее). При наличии на макете переходной кривой, примыкающей к круговой кривой, значение расширения габарита Е на этом участке необходимо рассчитывать в зависимости от параметров переходной кривой с последующей проверкой габарита опытным путём.

    Рис. 189. Габарит приближения строений на кривых участках 5:

    а — габарит приближения строений; б — схема построения габарита в кривой:

    Условное обозначение Уширение габарита E в зависимости от радиуса кривой, мм
    200 250 350 475 625 800 1000 1500 2250 3500
    Z 4 3 2 1 - - - - - -
    N 8 6 4 3 2 1 1 - - -
    TT - 12 8 6 4 3 2 1 - -
    H0 - - 16 11 8 6 4 2 1 -
    S - - - 22 16 12 9 5 3 1
    0 - - - - - 28 22 13 8 4
    I - - - - - - - 26 15 8

    Нормой «Габарит приближения строений узкоколейных железных дорог» NEM 104 определён габарит приближения строений моделей железных дорог, имеющих в оригинале ширину колеи от 1250 до 650 мм. Для электрифицированных узкоколейных железных дорог с контактной подвеской габарит может быть увеличен до параметров, обеспечивающих беспрепятственное взаимодействие подвижного состава и устройств контактной сети. Ширина габарита В в норме NEM 104 соответствует прямым участкам пути. На кривых участках пути габарит расширяется на обе стороны на размер Е, который можно определить по формуле

    где R — радиус кривой; А — межосевое или межшкворневое расстояние наибольшей по длине единицы подвижного состава.

    Норма «Межпутьевые расстояния» NEM 112/1-2 определяет минимальные расстояния между осями смежных путей для моделей железных дорог широкой колеи. Эта норма состоит из двух частей. Первая часть нормы — NEM 112/1 (табл. 3) определяет расстояния между осями путей на прямых участках как на перегонах, так и на станциях.

    Таблица 3

    Расстояние между осями путей, мм Условное обозначение
    N TT H0 S 0 I
    На перегоне 25 34 46 63 89 125
    На станции 28 38 52 71 103 141

    Вторая часть нормы — NEM 112/2 определяет расстояние между осями смежных путей на кривых с учётом длины эксплуатируемого подвижного состава, а также служит для проверки возможности использования подвижного состава определённой длины на макете, когда расстояния между осями путей в кривых известны. Kaк уже отмечалось выше, при прохождении подвижного состава по кривым имеют место смещения середины и концов вагонов и локомотивов относительно оси пути. Эти смещения зависят как от длины подвижного состава, так и от радиуса кривой. При увеличении длины единицы подвижного состава и уменьшении радиуса кривой боковые смещения возрастают. Наибольшие боковые смещения имеют тележечные вагоны вследствие их большой длины. Поэтому длина вагона и его межшкворневое расстояние (расстояние между центрами тележек) стали определяющими факторами для выбора расстояния между осями путей в кривых. В норме NEM 112/2 тележечные вагоны разделены на группы А, В, С в зависимости от общей длины и межшкворневого расстояния оригинала (табл. 4).

    Таблица 4

    Группа Длина вагона, м Межшкворневое расстояние, м
    A До 20 До 14
    B 20 — 24,2 14 — 17,2
    C 24,2 — 27,2 17,2 — 19,5

    Имея подвижной состав определённой длины и радиус внутренней кривой, по табл. 5 определяем расстояния между осями смежных путей. При эксплуатации на макете бестележечных вагонов с жёсткой базой межпутьевые расстояния, принятые для подвижного состава группы А, уменьшать недопустимо.

    Таблица 5

    Радиус внутренней кривой, мм Расстояние между осями путей, мм
    N TT H0
    A B C A B C A B C
    200 30 33 - - - - - - -
    225 29 32 35 - - - - - -
    250 28 31 33 40 - - - - -
    275 27 30 32 39 44 - - - -
    300 27 29 31 38 42 46 - - -
    325 26 28 30 37 41 45 57 - -
    350 26 28 29 36 40 43 55 62 -
    400 25 27 28 35 39 41 53 59 64
    450 25 26 27 34 37 40 51 57 61
    500 25 25 26 34 36 38 50 55 59
    600 25 25 26 34 34 36 48 52 55
    700 25 25 25 34 34 35 46 50 52
    800 25 25 25 34 34 34 46 48 50
    900 25 25 25 34 34 34 46 47 48
    1000 25 25 25 34 34 34 46 46 47
    S 0 I
    450 76 - - - - - - - -
    500 74 83 - - - - - - -
    550 72 80 88 - - - - - -
    600 70 78 84 116 - - - - -
    700 67 74 80 110 125 - - - -
    800 65 71 76 106 119 130 - - -
    900 64 68 73 103 114 123 154 - -
    1000 63 66 70 100 110 118 149 166 -
    1200 63 64 67 96 104 111 142 155 169
    1400 63 63 64 93 99 105 136 147 159
    1600 63 63 63 91 96 101 132 141 151
    1800 63 63 63 89 93 98 129 137 145
    2000 63 63 63 89 91 95 126 133 140
    2500 63 63 63 89 89 90 125 126 132
    3000 63 63 63 63 89 89 125 125 126

    Норма «Профиль рельса и стыковое рельсовое соединение» NEM 120 (рис. 190) устанавливает параметры профиля рельса независимо от технологии его изготовления и возможность применения рельсов определённого профиля для модельных железных дорог с различной шириной колеи. Эта норма также разделяет по типам стыковые рельсовые соединения и устанавливает для них определённые требования. Основным требованием является надёжное механическое и электрическое соединение рельсов. Длина стыкового рельсового соединения должна составлять примерно четырёхкратную высоту рельса. Для облегчения введения подошвы рельса в соединение предусмотрено перо. Соединение должно быть укреплено на левом рельсе (от середины проекции путевого элемента). Приведённая норма NEM 120 отменяет ранее действовавшую норму «Профиль рельса» NEM 121.

    Рис. 190. Профиль рельса (а) и стыковое рельсовое соединение (б):

    Ширина колеи, мм A B C D E K R
    6,5; 9 1,5+0,1 1,3 0,6+0,1 0,2 0,4 0,45 0,1
    9; 12; 16,5 2,0+0,1 1,9 0,8+0,1 0,25 0,5 0,6 0,2
    16,5; 22,5 2,5+0,2 2,2 1,0+0,2 0,3 0,6 0,75 0,3
    32 3,5+0,2 3,0 1,5+0,2 0,5 0,9 1,1 0,4
    45 5,0+0,2 4,4 2,2+0,2 0,7 1,2 1,5 0,5

    Норма «Размеры элементов верхнего строения железнодорожного пути» NEM 123 (рис. 191) определяет размеры шпал, расстояния между ними и предусматривает два варианта верхнего строения пути: А — с балластной призмой; В — без балластной призмы. Для первого варианта установлены размеры балластной призмы.

    Рис. 191. Размеры элементов верхнего строения железнодорожного пути, мм:

    1 — балластная призма; 2 — рельсы и стыковое соеднненне по NEM 120 (см. рис. 190):

    Ширина колеи, мм b1 b2 b3 h16 h2 h36 h4 S t
    9 16 19 22 3,5 1,1 1,5 6 2 5
    12 22 25 29 4,5 1,2 2 8 2 5
    16,5 30 34 40 5 1,5 2 10 3 7
    22,5 41 47 55 5 1,8 2 14 4 10
    32 60 68 80 7 2,2 3 20 6 14
    45 80 94 110 10 2,6 4 25 8 20

    Размеры шпал (S и b1) и расстояния между ними (t), замеренные по оси пути, являются ориентировочными и могут быть изменены, например, на второстепенных линиях, подъездных путях или узкоколейных железных дорогах.

    На макетах железных дорог устанавливают стрелочные переводы, основные параметры которых на уровне крестовины определяет норма «Неподвижная крестовина с усовиками и контррельсами» NEM 124 (рис. 192), заменившая ранее действовавшую норму «Контррельсы и усовики стрелочных переводов» NEM 124. При прохождении по переводным кривым продольные оси единиц подвижного состава по отношению к оси пути являются хордами. Оси колёсных пар подвижной единицы, укреплённые в жёсткой раме или поворотной тележке, образуют с перпендикуляром к оси пути угол, который тем больше, чем больше база, т. е. расстояние между крайними колёсными парами. Для предотвращения зажимания колёсных пар предусмотрен изгиб усовиков на угол 5°. Изгиб контррельса начинается в точке, где имеется гарантия, что наружнее колесо надёжно пройдет через крестовину. Контррельсы не должны возвышаться над уровнем головки рельса. Для простоты изготовления крестовину делают симметричной.

    Рис. 192. Неподвижная крестовина с усовиками и контррельсами7

    Наряду с одиночными стрелочными переводами на макетах устанавливают перекрёстные переводы и глухие пересечения, неотъемлемой деталью которых является крестовина с тупым углом. Основные параметры такой крестовины установлены новой нормой «Неподвижная тупая крестовина» NEM 127 (рис. 193). Конструктивной особенностью перекрёстного стрелочного перевода и глухого пересечения является наличие участка пути, где нарушается непрерывность рабочих граней рельсовых нитей и гребни колёс ничем не направляются. Этот участок условно называют «вредным пространством», на рис. 193 он обозначен буквой L. По норме NEM 127 расчёт «вредного пространства» производят по формуле

    L = Fx - S tg? / 2

    где х — значение, влияющее на крутизну угла крестовины.

    Рис. 193. Неподвижная тупая крестовина8

    На практике «вредное пространство» необходимо сокращать путём приближения S и F соответственно к своим максимальным и минимальным значениям. В том случае, когда длина «вредного пространства» больше направляющей длины гребня бандажа возникает опасность схода подвижного состава с рельсов. Увеличение «вредного пространства» L может возникнуть из-за уменьшения угла пересечения ?. Поэтому нормой установлен минимальный угол пересечения ? = 9°30', что соответствует отношению 1:х ? 1:6.

    Нормы NEM 124 и NEM 127 неразрывно связаны с нормой «Колёсная пара и путь» NEM 310 и имеют одинаковые с ней условные обозначения: G, F, S и С (см. ниже).

    На электрифицированных участках железнодорожных макетов контактный провод размещают в пространстве, определённом нормой «Размещение контактного провода» NEM 201 (рис. 194). Конструкция контактной подвески должна обеспечивать стабильное положение контактного провода в пределах заштрихованной зоны на прямых и кривых участках пути независимо от прижимной силы токоприёмника. На перегонах в большинстве случаев высоту подвески контактного провода принимают по значению Н2. На станциях контактный провод подвешивают выше (Н3), а в тоннелях и под мостами по необходимости ниже (Н1). Для равномерного износа контактной вставки (лыжи) токоприёмника контактный провод на прямых участках может быть подвешен зигзагообразно с отклонением от оси пути на значение S.

    Рис. 194. Размещение контактного провода:

    1 и 3 — самое высокое и низкое положение, мм; 2 — нормальное положение, мм:

    Условное обозначение S H1 H2 H3
    Z 3 26 28 30
    N 3,5 35 38 40
    TT 4,5 45,5 50 52,5
    H0 6 62 69 73
    S 8 82,5 93 98,5
    0 11 114 130 139
    I 15 157 181 194

    Норма «Взаимодействие токоприёмника с контактным проводом» NEM 202 (рис. 195) неразрывно связана с предыдущей нормой и определяет ширину лыжи токоприёмника B2, его рабочей части B1, зону рабочего положения токоприёмника H2 — Н1, в которой должен осуществляться надёжный токосъём. Размеры B1 и B2 действительны для электровозов и моторных вагонов только в том случае, если токоприёмник размещён над шкворнями тележек или крайними осями в жёсткой раме. При другом расположении токоприёмника его ширину необходимо определять экспериментальным путём. Для обеспечения надёжной работы ширина токоприёмника по норме может быть принята большей, чем это будет получено масштабным уменьшением с оригинала.

    Рис. 195. Взаимодействие токоприёмника и контактного провода

    Условное обозначение B1 B2 H1 H2
    Z 8+0,3 10-0,3 25 31
    N 10,5+0,5 13-0,5 34 41
    TT 14+0,7 18,5-0,7 44 54
    H0 19+1 25-1 60 75
    S 25+1,5 33-1,5 80 101
    0 34+2 45-2 111 142
    I 47+3 62-3 153 198

    Нормы «Размещение контактного провода» NEM 201 и «Взаимодействие токоприёмника с контактным проводом» NEM 202 отменяют ранее действовавшую норму «Контактный провод и токоприёмник» NEM 201.

    Норма «Габарит подвижного состава» NEM 301 (рис. 196), принятая взамен устаревшей аналогичной нормы NEM 101, служит для проверки габаритов моделей локомотивов и вагонов. Габарит подвижного состава представляет собой условное поперечное (перпендикулярное оси пути) очертание, в котором, не выходя наружу, должен помещаться установленный на прямом участке пути подвижной состав. Для обеспечения беспрепятственного движения поездов не допускается выход за пределы габарита деталей и узлов подвижного состава (включая опущенный токоприёмник). Используемые на железнодорожных макетах исполнительные механизмы — приводы стрелочных переводов, расцепители, элементы автоматики и др., выступающие над головкой рельса и расположенные внутри габарита приближения строений, допускается размещать в заштрихованной на рисунке зоне. Норма NEM 301 также может быть использована для постройки габаритных ворот, при помощи которых проверяют габариты груженых платформ и полувагонов.

    Рис. 196. Габарит подвижного состава, мм:

    Условное обозначение G B1 B2 H1 H2 H3 H49
    Z 6,5 17 11 1 2 17 23
    N 9 23 14 1 3 24 32
    TT 12 30 18 1,5 4 32 42
    H0 16,5 40 26 2 5 44 57
    S 22,5 54 35 3 7 59 75
    0 32 78 48 4 10 83 106
    I 45 110 68 5 13 115 146

    Норма «Колёсная пара и путь» NEM 310 (рис. 197), заменяющая норму «Колёсная пара и стрелочный перевод» NEM 310, отражает взаимосвязь между колёсными парами и элементами железнодорожного пути. В интересах повышения надёжности движения отдельные параметры колёс не соответствуют масштабному уменьшению с оригинала. На прямых участках пути ширина колеи G должна соответствовать номинальному значению по норме NEM 010; на кривых участках пути во избежание заклинивания колёс подвижного состава с жёсткой базой ширину колеи следует расширять до Gmax. В заштрихованной зоне (см. рис. 197) допускается размещение настилов переездов, различных исполнительных механизмов и других элементов. Значение F0 рассчитывают по формуле

    F0 = (GS) / 2,

    а расстояние от внутренней грани головки рельса до контррельса F'0:

    F'0 = GC.

    Рис. 197. Колёсная пара и путь (размеры в таблице даны в мм):

    а — путь; б — колёсная пара; в — головка рельса; г — стрелочный перевод; 1 — рамный рельс; 2 — контррельс; 3 — усовики; 4 — ось сердечника крестовины

    Ширина колеи, мм Путь Колёсная пара Колесо
    Gmax Cmin Smax Fmax Hmin Kmax Bmin Nmin Zmin Tmax Dmax R
    6,5 6,8 5,9 5,2 0,75 0,6 5,9 5,25 1,55 0,41 0,46 0,6 0,1
    9,0 9,3 8,1 7,3 1,0 0,9 8,1 7,4 2,2 0,5 0,6 0,9 0,15
    12,0 12,3 11,0 10,1 1,1 1,0 11,0 10,2 2,4 0,6 0,7 1,0 0,2
    16,5 16,8 15,2 14,1 1,3 1,2 15,2 14,3 2,8 0,7 0,9 1,2 0,25
    22,5 22,8 20,9 19,5 1,6 1,4 20,9 19,8 3,5 0,9 1,1 1,4 0,3
    32,0 32,3 29,9 28,0 2,2 1,6 29,9 28,4 4,7 1,2 1,4 1,6 0,4
    45,0 45,3 41,8 39,3 2,8 2,2 41,8 39,8 5,7 1,5 1,7 2,2 0,5

    Ширина жёлоба F в районе сердечника крестовины может быть увеличена в случае качения колеса на гребне при переходе с соединительного рельса на сердечник за счёт уменьшения значения S. Размер Н представляет собой минимальную глубину желоба в районе сердечника крестовины, в других местах в расчёт принимают размер Н', составляющий 1,3Н. Для пластмассовых крестовин высоту сердечника принимают на 0,1 мм ниже уровня головки рельса.

    Диаметр колеса определяют путём пересчёта размеров оригинала в модельный масштаб. Приведённую в норме ширину колеса Nmin и высоту гребня бандажа D можно уменьшать до масштабного размера в случае, если будет выполнено условие

    K + N ? Gmax

    и не предполагается качение колеса на гребне в районе сердечника крестовины. Более детальные сведения о конструкции колеса даёт дополняющая NEM 310 норма «Профиль поверхности катания колеса» NEM 311 (рис. 198). Значения N, Т, Р и D указаны в NEM 310. Для обеспечения надёжного движения моделей в конструкции колеса должны быть выполнены условия:

    Q ? P и R1 = D / 2.

    Рис. 198. Профиль поверхности катания колеса10

    Колёсные пары прицепных единиц подвижного состава устанавливают в буксовых узлах на цилиндрических и конических подшипниках. Оптимальные параметры подшипников, обеспечивающие наименьшее сопротивление качению, определены нормами «Колёсная пара с цилиндрическими подшипниками» NEM 313 (рис. 199) и «Колёсная пара с коническими подшипниками» NEM 314 (рис. 200). Цилиндрические подшипники не применяют для моделей с шириной колеи 6,5 и 9 мм, а конические — для моделей с шириной колеи 32 и 45 мм.

    Рис. 199. Колёсная пара с цилиндрическими подшипниками (размеры даны в мм):

    Ширина колеи Amax V Imin Bmin Lmax U W X
    12 1,0 1,5 1,2 10,2 15,8 20,2±0,2 17,4+0,4 20,6+0,6
    16,5 1,0 2,0 1,2 14,3 20,8 25,5±0,2 22,4+0,4 25,8+0,8
    22,5 1,5 3,0 1,7 19,8 27,8 33,9±0,3 29,6+0,5 34,4+0,6
    32 2,0 4,0 2,2 28,4 39,0 46,4±0,4 41,0+0,6 47,0+0,1
    45 3,0 5,0 3,2 39,8 52,7 63,9±0,6 65,0+0,8 64,7+0,1

    Рис. 200. Колёсная пара с коническими подшипниками (размеры даны в мм):

    Ширина колеи V Bmin Lmax U W X
    6,5 1,0 5,25 8,75 10,4±0,1 9,0+0,1 10,8-0,1
    9,0 1,0 7,4 12,5 14,7±0,2 12,5+0,5 15,2-0,2
    12 1,5 10,2 15,8 18,5±0,2 16,3+0,5 19,0-0,2
    16,5 2,0 14,3 20,8 24,5±0,2 21,4+0,6 25,0-0,2
    22,5 3,0 19,8 27,8 33,2±0,2 28,6+0,8 33,7-0,2

    Норма «Сцепки и их разделение по классам» NEM 350 (рис. 201) разделяет существующие типы сцеплений моделей подвижного состава на три класса — А, В и С. Класс А объединяет все сцепки, в которых имеется неподвижный крюк 1 и откидывающаяся скоба 2. Крепление крюка на раме должно обеспечивать возможность поворота его на оси 1-1. Высота x верхней кромки скобы над головкой рельса при ширине колеи 12 мм составляет 6,5+0,5 мм, а при ширине колеи 16,5 мм — 9,0+0,5 мм. K классу В относятся сцепки, представляющие собой какое-либо усовершенствование сцепок, объединенных в классе А, обеспечивающее, например, более надёжное сцепление или возможность толкания сцепленных или расцепленных единиц подвижного состава. Класс С объединяет все сцепки, не относящиеся к классам А и В, например кулачковые, цепные и др.

    Рис. 201. Сцепное устройство

    Большая популярность моделей типоразмера N вызвала необходимость создания для них единой стандартной сцепки. Конфигурацию элементов сцепки и условия её работы устанавливает норма «Унифицированная сцепка для типоразмера N» NEM 356 (рис. 202). Крепление сцепки к раме должно обеспечивать возможность отклонения головы вверх, в стороны и упругую фиксацию в среднем положении. Автоматическое сцепление происходит при взаимном сближении подвижного состава. В сцепленном состоянии образуется соединение без излома оси сцепок. Расцепление осуществляется поднятием головы одной из сцепок. Эта сцепка также удобна тем, что снятие вагона из состава поезда осуществляется простым поднятием его вверх.

    Рис. 202. Унифицированная сцепка для типоразмера N:

    а — вид снизу; б — вид сбоку; в — вид сверху; г — вид спереди; д — взаимное рабочее положение сцепок

    В последние годы стандартизирована также наиболее распространенная сцепка для типоразмера H0, относящаяся по норме NEM 350 к классу В. Основные размеры этой сцепки устанавливает норма «Стандартная сцепка для типоразмера H0» NEM 360 (рис. 203). Сцепка имеет жёсткий крюк, обращённый вверх, толкающую площадку и поднимающуюся петлю. Крепление сцепки к раме должно обеспечивать отклонение в горизонтальной плоскости на 20 — 30° и иметь возвращающее устройство. При сближении единиц подвижного состава обеспечивается автоматическое сцепление. Для механического расцепления петля имеет опущенный вниз упор, на который воздействует педаль расцепителя. Модели локомотивов могут иметь упрощенную сцепку без петли.

    Рис. 203. Стандартная сцепка для типоразмера H0:

    а — вид сбоку; б — вид спереди; в — вид сверху; г — положение при расцеплении

    В области электротехники моделей и принадлежностей железных дорог разработаны четыре новые нормы, отменяющие норму «Электропитание модели железной дороги» NEM 602.

    Норма «Электропитание стационарных устройств» NEM 611 определяет значение напряжения переменного и постоянного тока в зависимости от ширины колеи для стационарных устройств, как имеющих непосредственное отношение к движению поездов — приводов стрелочных переводов, расцепителей, устройств сигнализации и автоматики, так и вспомогательных — ламп освещения и др. При ширине колеи 6,5 мм напряжение переменного тока не должно превышать 10 В, а постоянного — 8 В. В других типоразмерах следует применять переменный ток напряжением 14 — 16 В и постоянный — 12 В.

    Норма «Подвод тока к локомотивам при двухрельсовом электропитании на электрифицированных и неэлектрифицированных путях» NEM 621 устанавливает, что все тяговые единицы подвижного состава получают электрический ток по двум взаимно изолированным рельсам. Модели электровозов должны иметь возможность электропитания от контактного провода и одного рельса или от двух рельсов. Буфера и сцепки всех единиц подвижного состава должны быть изолированы от системы электропитания. Для электрического соединения допустимо использовать только жёсткие соединения, которые при эксплуатации не расцепляют, например сцепку между паровозом и тендером. В моделях электровозов один зажим электродвигателя постоянно подключают к токосъёмникам колёс левой стороны по направлению движения («общая сторона»), а другой — через переключатель соединяют либо с токосъёмниками колёс правой стороны, либо с токоприёмником (рис. 204, а). «Общую сторону» обозначают символом * на нижней стороне модели. Подключением двух источников питания по схеме, изображённой на рис. 204, б, можно обеспечить независимое управление движением двух локомотивов. При этом локомотив, получающий ток от контактной сети, устанавливают так, чтобы колёса «общей стороны» находились на рельсе, соединенном с обоими источниками питания.

    Рис. 204. Подвод тока к локомотивам при двухрельсовом питании на электрифицированных и неэлектрифицированных путях

    Норма «Электротяга постоянного тока — электрические параметры» NEM 630 устанавливает параметры электрического тока для движения поездов:

    Ширина колеи, мм 6,5 6,5<G<32 32
    Напряжение тока, В 8 12 16

    Норма «Направление движения при двухрельсовом питании» NEM 631 определяет направление движения локомотивов в зависимости от полярности тока. Двигатели локомотивов при двухрельсовом питании подсоединяют таким образом, что локомотив движется вперёд, если правый рельс имеет положительную полярность (правый по направлению движения) (рис. 205, а). При электропитании моделей от рельса и контактного провода присоединение выполняют так, что локомотив движется вперёд при положительной полярности контактной сети (рис. 205, б). Переднюю и заднюю части локомотивов отличают конструктивными особенностями, а в случае их симметричности обозначают цифрами или буквенными символами: переднюю часть «1» («A»), заднюю часть «2» («В»).

    Рис. 205. Направление движения при двухрельсовом питании

    Чтобы сделать путевые и электрические схемы макетов железной дороги понятными каждому любителю, для удобства составления и работы с ними были разработаны нормы на условные графические обозначения при оформлении макетной документации. Для вычерчивания схем макетов железной дороги была создана норма «Условные графические обозначения для схем и чертежей макетов железных дорог» NEM 004, содержащая единые условные графические обозначения путей, стрелочных переводов, инженерных и гражданских сооружений, элементов сигнализации и т. д. В настоящее время в зарубежной литературе по железнодорожному моделизму встречается много дополнительных условных обозначений, которые необходимы, однако отсутствуют в норме NEM 004. Приведённые в приложении 2 условные графические обозначения для схем и чертежей являются обобщением нормы NEM 004 и обозначений, имеющихся в литературе по моделям железных дорог.

    Когда вычерчена путевая схема макета и известно количество стрелочных переводов, светофоров и других элементов, управляемых электричеством, приступают к разработке электрической схемы. Норма «Условные графические обозначения для электрических схем макетов и моделей железных дорог» NEM 005 была составлена исходя из принятых в странах Западной Европы условных обозначений. В нашей стране действует несколько Государственных стандартов на условные обозначения электросхем. Поэтому в приложении 3 приведены условные обозначения, наиболее часто встречающиеся на электросхемах моделей и макетов железных дорог в соответствии с действующими стандартами. На электрических схемах все элементы получают свои буквенно-позиционные обозначения, которые должны быть едины для данного элемента во всей документации.

    2. Определение масштабных размеров

    Большинство любителей при постройке моделей подвижного состава, макетов инженерных сооружений, архитектурных макетов используют чертежи настоящих локомотивов, вагонов, мостов, зданий и др. Уменьшения, допускаемые стандартом, не отвечают требованиям моделизма и поэтому перед постройкой модели все размеры оригинала необходимо пересчитать, уменьшив их в нужный масштаб. Каждый размер необходимо разделить на масштаб уменьшения и тогда получится необходимая величина. Например, диаметр колёс вагонов магистральных железных дорог 950 мм в масштабе 1:87 условного обозначения H0 определится следующим образом:

    950 : 87 = 10,9195 мм.

    Размер диаметра колеса модели можно рассчитать с ещё большей точностью, но необходимо учесть возможности изготовления данной детали, поэтому результат расчёта округляют до осуществимых величин. Пересчёт всех размеров таким способом при постройке сложной модели потребовал бы много времени. Для облегчения расчётов были созданы переводные таблицы, при помощи которых можно сравнительно быстро и с достаточной точностью определить необходимые размеры (см. приложение 1).

    В первом вертикальном столбце таблиц — десятки натуральных размеров, а единицы от 1 до 9 находятся в последующих вертикальных столбцах. При пересчёте нужного размера его натуральную величину разбивают на десятки и единицы, а искомую находят на пересечении горизонтальной строки десятков и вертикального столбца единиц. Переводные таблицы позволяют определять размеры трёхзначных чисел, что вполне достаточно для моделиста. Следовательно, все натуральные размеры сначала округляют до трёхзначных, а потом по таблице находят уменьшенную величину, которую также округляют. Например, нужно определить длину изотермического вагона в масштабе 1:87. Длину вагона (18 474 мм) округляют до трёхзначных чисел (185 дм) и в первом столбце таблицы находят строку со значением 180, а вправо по горизонтали в столбце единиц — цифру 5 и на пересечении этих строк считывают необходимую величину — 2,1264 дм, после округления получают 2,126 дм, или 212,6 мм.

    Для определения масштабных размеров также удобно пользоваться электронным микрокалькулятором.

    При изготовлении макетов зданий, деревьев, архитектурных и пейзажных моментов не требуется соблюдение такой высокой точности пересчёта размеров, как при постройке моделей подвижного состава. В таких случаях можно пользоваться масштабной линейкой (см. приложение 4). Чтобы изготовить такую линейку, на основание из органического стекла размером 280 X 32 X 8 мм наклеивают полоску бумаги со шкалами, а на торцовых стенках делают продольные канавки для движка, используемого от логарифмической линейки.

    Определение размеров в нужном масштабе при помощи масштабной линейки производят следующим образом: риску движка устанавливают на заданный размер по верхней шкале и на шкале соответствующего масштаба считывают искомое значение. Результат округляют с точностью до 1 мм. Так, например, при постройке макетов зданий размеры окон, дверей и других характерных деталей архитектурного макета умышленно округляют с увеличением, чтобы улучшить художественное восприятие.

    В большинстве случаев при постройке моделей у моделиста отсутствует полный комплект настоящих детальных чертежей копируемого образца, а имеется, как правило, один общий вид, где указаны только габаритные размеры. В таком случае необходимо по известным размерам построить масштабную линию (такие масштабные линии имеются на всех географических картах), по которой при помощи измерителя можно определить нужные размеры. Масштабную линию (рис. 206) строят в такой последовательности. На прямую линию от условной точки 0 измерителем с чертежа переносят один из известных размеров (в данном примере длина кузова двухосной платформы — 6610 мм). Из точки 0 под углом 45° проводят линию, на которую наносят миллиметровую шкалу. Затем по переводной таблице или путём деления определяют уменьшение известной величины (в масштабе 1:87 размер 6610 мм будет равен 76 мм). Точку 76 мм на наклонной шкале соединяют с точкой, отложенной измерителем на горизонтальной линии. Параллельно этой соединительной линии от наклонной шкалы проводят прямые на горизонтальную ось справа от точки 0 через 10 мм, а слева — через 1 мм. Отрезки, полученные на горизонтальной шкале, соответственно нумеруют. Неизвестные размеры с чертежа измерителем переносят на горизонтальную масштабную линию и справа от точки 0 считывают целые десятки, а слева — единицы миллиметров. Для построения масштабной линии и определения при её помощи всех размеров модели достаточно иметь какой-либо один известный размер, пусть даже не указанный на чертеже, например, ширину колеи.

    Рис. 206. Построение масштабной линии

    При постройке моделей всегда требуется много фотографий для уточнения деталей, которые отсутствуют или недостаточно понятны на чертежах. При фотографировании натурного образца или чертежа рекомендуется печатать фотоснимок в заранее рассчитанной величине так, чтобы можно было замерять размеры в миллиметрах непосредственно с отпечатков.


    Примечания:



    3

    Ранее существовавший типоразмер II (масштаб уменьшения 1:27, ширина колеи 57 мм) в настоящее время не применяется.



    4

    Примечания. 1 — для лёгких сооружений (сигнальных мостиков и др.); 2 — для капитальных сооружений (мостов, тоннелей н др.); 3 — для паровой и тепловозной тяги.



    5

    Значения G, B1 и B4 взяты из нормы NEM 102 (см. рис. 193).



    6

    Для участков пути без балласта.



    7

    Примечание. Значения F, F'0 и G приведены в норме NEM 310 (см. рис. 197).



    8

    Примечание. Значения G, С, S и F приведены в норме NEM 310 (см. рис. 197).



    9

    Для опущенного токоприёмника электровоза.



    10

    Примечания

    1. Значения N, T, R и Z принимают по NEM 310 (см. рис. 197);

    2. Вершина гребня должна быть закруглена.









    Главная | В избранное | Наш E-MAIL | Добавить материал | Нашёл ошибку | Вверх